Marka : Ekon Kondansatör
Kategori : AG Güç Kondansatörü
Ürün Grubu : Kutu Tip Kondansatör
Ürün Açıklaması

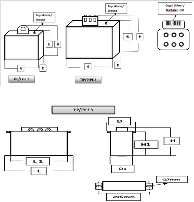
440 V KUTU TİP TEKNİK ÖZELLİKLER / 440 V BOX TYPE TECHNICAL FEATURES
|
GÜÇ/POWER |
KAPASİTE/CAPACİTOR (uF) |
AKIM/CURRENT (A) |
TİP/TYPE | G/L (mm) | L1 (mm) |
D (mm) |
D1 (mm) |
H1 (mm) |
H |
|
0,5 |
8,2 | 0,65 | Tip/Type 1 | 155 | 50 | 105 | 150 | ||
|
1 |
1,64 | 1,31 | |||||||
| 1,5 | 2,46 |
1,97 |
|||||||
| 2,5 | 41,1 |
3,28 |
|||||||
|
5 |
82,2 | 6,56 | |||||||
| 7,5 | 123,3 |
9,85 |
Tip/Type 2 |
210 |
70 | 110 |
155 |
||
|
10 |
164,5 | 13,1 | 210 | 70 | 145 | 190 | |||
| 12,5 | 205,6 |
16,4 |
|||||||
|
15 |
246,7 | 19,7 | |||||||
|
20 |
329 |
26,3 |
210 |
70 | 180 |
225 |
|||
| 25 | 411,2 |
32,8 |
|||||||
|
30 |
493,5 | 39,4 | 210 | 70 | 215 | 260 | |||
| 40 | 658 |
52,8 |
Tip/Type 3 |
325 | 260 | 180 | 150 | 240 |
285 |
|
50 |
822,5 | 65,6 | |||||||
| 60 | 987 |
79,2 |
|
Elektriksel Özellikler/ Electrical Data |
|
| Frekans /Frequency | 50 Hz. / 60 Hz. |
| Bağlantı / Connection
(opsiyonel / optional) |
3P – ∆
(2P / 3P – ʎ ) |
| Deşarj Direnci/Discharge Resistance | 60sn. – 50V |
| Kapasite Tolerans/
Capacity Tolerance |
-%5 / +%10 |
|
Rutin Test/ Routine Test |
|
| Ut-Term. | 2,15xUn AC – 2sn. |
| Ut – Earth | 3 kV AC – 10sn. |
|
Çalışma Şartları/ Service Conditions |
|
| θmin. | -40 °C |
| θmax. | +65 °C |
| Rakım/Altitude | <4000mt |
| Koruma Sınıfı/ Protection Class | IP20 |
| Dahili/Indoor | Evet/Yes |
| Harici/Outdoor | Hayır/No |
|
Teknik Özellikler/ Technicial Data |
|
| Bağlantı term. / Max. Tork Terminal fixing/Max. Torque | M4-M5 / 0,3 Kgm |
| Kasa /Case | Kalay kaplı sac/ Tin plated sheet |
| Dielektrik / Toplam Kayıp | <0,2 W/kVAr – <0,4 W/kVAr |
| Max. Un | Un+%10 (8/24 saat/hour ) |
| Max. In | Inx1,5 |
| Kondansatör Koruması/ Capacitor Protection | |
| Çalışma Ömrü/ Working life
( 30°C – 50Hz. – Bağıl nem/ Relative humidity %50 ) |
180.000h |
| Standart/ Standard | IEC 60831-1/2 |


