Marka : Ekon Kondansatör
Kategori : AG Güç Kondansatörü
Ürün Grubu : Kutu Tip Kondansatör
Ürün Açıklaması

525 V KUTU TİP TEKNİK ÖZELLİKLER / 525 V BOX TYPE TECHNICAL FEATURES
|
GÜÇ/POWER |
KAPASİTE/CAPACİTOR (uF) |
AKIM/CURRENT (A) |
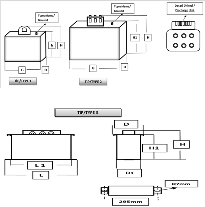
TİP TYPE |
G/L (mm) |
L1 (mm) |
D (mm) |
D1 (mm) |
H1 (mm) |
H |
|
0,5 |
5.7 | 0,55 | Tip/Type1 | 155 | 50 | 105 | 150 | ||
|
1 |
11,5 | 1,1 | |||||||
| 1,5 | 17.3 |
1,6 |
|||||||
|
2,5 |
28.8 |
2,7 |
|||||||
| 5 | 57,7 |
5,5 |
|||||||
|
7,5 |
86,6 | 8,2 | Tip/Type 2 | 210 | 70 | 110 | 155 | ||
| 10 | 115,5 |
11 |
210 |
70 | 145 |
190 |
|||
|
12,5 |
144,4 | 13,7 | |||||||
| 15 | 173,3 |
16,5 |
|||||||
|
20 |
231 | 22 | 210 | 70 | 180 | 225 | |||
| 25 | 288,8 |
27,5 |
|||||||
|
30 |
346,6 | 33 | 210 | 70 | 215 | 260 | |||
| 40 | 462 |
44 |
Tip/Type 3 |
325 | 260 | 180 | 150 | 240 |
285 |
|
50 |
577,6 | 54,8 | |||||||
| 60 | 693,2 |
66 |
|
Elektriksel Özellikler/ Electrical Data |
|
| Frekans /Frequency | 50 Hz. / 60 Hz. |
| Bağlantı / Connection
(opsiyonel / optional) |
3P – ∆
(2P / 3P – ʎ ) |
| Deşarj Direnci/Discharge Resistance | 60sn. – 50V |
| Kapasite Tolerans/
Capacity Tolerance |
-%5 / +%10 |
|
Rutin Test/ Routine Test |
|
| Ut-Term. | 2,15xUn AC – 2sn. |
| Ut – Earth | 3 kV AC – 10sn. |
|
Çalışma Şartları/ Service Conditions |
|
| θmin. | -40 °C |
| θmax. | +65 °C |
| Rakım/Altitude | <4000mt |
| Koruma Sınıfı/ Protection Class | IP20 |
| Dahili/Indoor | Evet/Yes |
| Harici/Outdoor | Hayır/No |
|
Teknik Özellikler/ Technicial Data |
|
| Bağlantı term. / Max. Tork Terminal fixing/Max. Torque | M4-M5 / 0,3 Kgm |
| Kasa /Case | Kalay kaplı sac/ Tin plated sheet |
| Dielektrik / Toplam Kayıp | <0,2 W/kVAr – <0,4 W/kVAr |
| Max. Un | Un+%10 (8/24 saat/hour ) |
| Max. In | Inx1,5 |
| Kondansatör Koruması/ Capacitor Protection | |
| Çalışma Ömrü/ Working life
( 30°C – 50Hz. – Bağıl nem/ Relative humidity %50 ) |
180.000h |
| Standart/ Standard | IEC 60831-1/2 |


